网络通信系统说明 |
![]() |
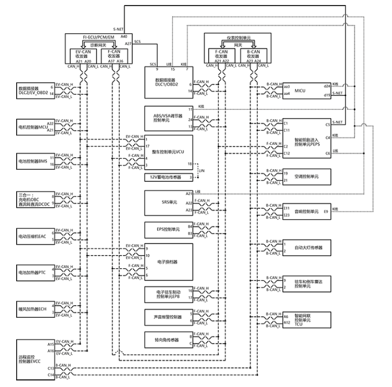
CAN(控制器局域网络)和LIN(本地连接网络)
车辆使用CAN(控制器局域网络)和 LIN(本地连接网络)作为车内LAN(本地局域网络)。这些网络使控制单元在CAN总线交换信息。
CAN由EV-CAN网络、F-CAN网络和B-CAN网络组成,EV-CAN网络使控制单元交换高压系统信号,F-CAN网络使控制单元交换电源/底盘信号,B-CAN网络用于车身信号。EV-CAN网络和F-CAN网络在VCU内交互连接。F-CAN网络和B-CAN网络些网络在仪表控制单元内交互连接(网关)。
LIN网络用于连接VCU和12V蓄电池蓄电池传感器,保证控制系统间的可靠通信。
作为几个控制单元间的多路通信系统,系统还有用于传递HDS的诊断结果的K线路和L线路,以及用于传递防盗锁止信号的S-NET线路。

CAN
CAN(控制局域网)是 ISO为汽车开发并进行标准化的混合通信系统。
CAN采用多主系统,其中连接至总线的多个控制单元可以相互通信。
通信方法
在CAN中,每个节点通常将数据帧格式的数字信号发送至总线。设置传输定时后,CAN使用可在事先定义时间段内执行发送的循环发送,以及仅在数据改变时执行发送的事件发送。
CAN采用CSMA/CA(带冲突避免的载波侦听多路访问)方法,在此方法中,节点尝试通过仅在感应到总线处于怠速时进行传输来避免冲突。
数字信号表示为"0"(显性)和 "1"(隐性)。数据帧包括数据字段(中央)、用户显示数据ID的判优字段、用户显示数据长度的控制字段、用户检测发送错误的 CRC 字段和用于确认发送结束的ACK字段。当多个节点同时开始数据发送时,CAN按判优字段中ID指示的优先权对它们进行仲裁。
例如,当节点1(ID=156h)和节点2(ID=164h)同时发送数据时,仅节点1的ID被发送至总线,因为节点1优先于其较小的ID。换言之,节点2取消发送ID和接收状态。在节点1 完成发送后,节点2再次开始发送数据。这样实现了在单个路径中从多个节点同时发送数据(多任务方法)。
从一个节点发出的数据被所有节点接收之后,每个控制单元按照ID分类所需数据并开始进行控制。

F-CAN
用于底盘系统的动力系统和控制单元之间的网络被称为F-CAN,且该网络采用通信速率为500kbps的高速 CAN。
每个控制单元之间的连接安装了具有终端电阻器的控制单元,用于防止信号在由F-CANH和F-CANL组成的绞合信号电缆对的每一端反射回来,其他控制单元在它们之间平行连接。
通过在等电压和不等电压之间快速切换,可以比特来传输数字数据。
B-CAN
用于车身电气系统的控制单元之间的网络被称为B-CAN,且采用通信速率为125kbps的低速CAN。
每个控制单元之间的连接安装了具有终端电阻器的控制单元,用于防止信号在由B-CANH和 B-CANL组成的绞线对的每一端反射回来,其他控制单元在它们之间平行连接。
节能模式控制
由于即使将车辆转为OFF(LOCK)模式,车身系统的某些控制单元仍起作用,因此将为这些单元设置节能模式,以降低暗电流。
转变为到节能模式(睡眠模式)并从节能模式返回该模式(唤醒模式)由激活、睡眠和唤醒信号控制。未处于“等待进入睡眠”状态的控制单元将周期性发送激活信号至总线,并在处于“等待进入睡眠”状态时停止发送。
当所有控制单元不再发送激活信号时,一个或多个控制单元将发送睡眠信号。收到睡眠信号的控制单元进入节能模式。
节能模式下,开关或传感器的输入将向总线发送唤醒信号。这种情况下,它们将从节能模式返回唤醒模式。
LIN
概要
LIN是基于UART的总线。LIN的通信速度比CAN的慢,可用于无需高速通信的系统。由于使用独立总线和每个控制单元连接,它能够减少线束,以及低成本构建一个网络。LIN采用独立主系统,其中只有独立主控制单元作为一个主控制单元来控制LIN总线上所有的信号。其它单元成为分单元,与主控制单元的要求保持一致来工作。
车辆采用连接VCU和12V蓄电池传感器之间的网络通信速度为19,200bps的LIN;及连接电动车窗总开关*和前排乘客侧车窗开关*之间的网络通信速度为9,600bps的LIN。
*:带电动车窗驾驶员侧和前排乘客侧自动向下/向下功能
通讯系统
LIN使用一个单主机系统,即一个ECU控制所有的总线通信。
其它控制器作为分单元,仅当VCU要求时进行通信。
信息帧包括发送主单元的要求的头帧和发送分单元响应的响应帧。头帧包括用于显示帧开始的同步间隔领域、修正波特率的同步领域、显示要求响应的控制单元的识别领域。响应帧包括数字领域和用于检测传动错误的检查总和领域。

节能模式
车身电气系统有控制单元,其在车辆处于OFF(LOCK)模式时不会停止操作,以执行车门锁止控制和车灯控制。这些控制单元都具备节能模式以减小备用电源要求。
网络通信故障排除
HDS(本田诊断系统)使用K-线以显示F-CAN和B-CAN总线的控制单元和自诊断结果。K-线总线是使用 UART(通用异步收发传输器)的通信线路,波特率为10.4kbps。组合仪表具有显示车身系统DTC(故障诊断码)的功能。仪表控制单元通过F-CAN总线接收到SCS端子短路信号,或通过B-CAN总线接收到MICU维修检查ON信号时,将显示DTC。然后,仪表控制单元读取通过B-CAN总线发送的各控制单元的自诊断结果,并显示DTC。HDS通过FI-ECU/PCM/EM控制单元对EV-CAN网络和F-CAN网络诊断。
车辆配备有智能钥匙进入系统,还有连接数据连接器(DLC)至智能钥匙进入控制单元的L-LINE数据总线。
这个回路可在遥控器丢失或故障时,进行HDS与智能钥匙进入系统的通信,避免点火。S-NET可作为一种路径,即将集成在遥控器内的无线电频率收发器的信号传递至和防盗锁止系统相关的控制单元(例如FI-ECU/PCM/EM 和 MICU)。


DLC 电路故障排除 |
![]() |
车身电气故障排除-B-CAN 系统诊断测试模式 1 和测试模式 2(不带 HDS) |
![]() |
|
注意事项
请在 10 秒钟内执行步骤 3-7。 |

位置,然后释放灯光开关,再拉动组合灯开关并将其保持
位置,并将灯转为
和 AUTO 位置超过两次。 
开关约 10 秒钟,清除 DTC。 |
注意事项
请在 10 秒钟内执行步骤 14-17。
|

位置,然后释放灯光开关,再拉动组合灯开关并将其保持在超车开关位置。
位置,并将灯转为
和 AUTO 位置超过两次。 |
注意事项
如果您重复该步骤,则系统自动返回到测试模式 1。 |
|
项目
|
|
|
转向信号开关(左)
|
点火钥匙开关 |
|
转向信号开关(右)
|
前照灯开关 (ON)
|
|
危险警告开关
|
前照灯开关 (OFF) |
|
挡风玻璃刮水器 HI/LO 开关
|
照明开关
|
|
挡风玻璃刮水器 INT/LO 开关
|
变光器开关
|
|
挡风玻璃刮水器 MIST 开关
|
超车开关
|
|
挡风玻璃清洗器开关
|
前雾灯开关
|
|
挡风玻璃刮水器电机驻车位置(自动停止)
|
后雾灯开关
|
|
禁用开关
|
驾驶员侧车门开关 |
|
后车窗刮水器开关
|
前排乘客侧车门开关
|
|
后车窗刮水器 INT 开关
|
左后车门开关
|
|
后车窗清洗器开关
|
右后车门开关
|
|
驾驶员侧车门门锁开关(解锁)
|
尾门锁闩开关 |
|
驾驶员侧车门门锁开关(锁止)
|
防盗动力总成舱盖开关
|
|
驾驶员侧车门门锁按钮开关(解锁)
|
制动踏板位置开关
|
|
前排乘客侧车门门锁按钮开关(解锁)
|
加热器风扇开关
|
|
左后车门门锁按钮开关(解锁)
|
倒车灯开关
|
|
右后车门门锁按钮开关(解锁)
|
前除雾器开关
|
|
驾驶员侧车门锁芯开关(锁止)*
|
后窗除雾器开关
|
|
尾门外把手开关
|
一键进入
|
| 项目 | |
|
巡航控制总开关
|
开关 |
|
巡航控制 SET 开关
|
自动制动保持开关
|
|
巡航控制 RES 开关
|
TRIP |
|
巡航控制 CANCEL 开关
|
|
|
VSA OFF 开关
|
|
网络通信 DTC 故障排除索引 |
![]() |
|
注意事项
记录所有的 DTC,并通过DTC 故障排除索引将DTC 按类型分类,然后按此顺序对DTC进行故障排除:
|
MICU
| DTC | 说明 | DTC 类型 |
| B1002 | MICU 内部错误(EEPROM 错误) | 内部错误 |
| B1003 | MICU 更新错误 | 内部错误 |
| B1028 | 后刮水器电机(停止)信号错误 | 信号错误 |
| B1036 | IG1 电源电路故障 | 信号错误 |
| B1077 | 挡风玻璃刮水器电机(停止)信号错误 | 信号错误 |
| B1127 | 驾驶员侧车门锁芯开关输入电路故障(同时输入锁止和解锁信号) | 信号错误 |
| B1128 | 驾驶员车门遥控开关输入电路故障(同时输入锁止和解锁信号) | 信号错误 |
| B1129 | 驾驶员侧车门按钮开关输入电路故障(锁止和解锁信号同时输入) | 信号错误 |
| B1275 | 大灯 OFF 位置电路故障 | 信号错误 |
| B1276 | 大灯开关驻车 (SMALL) 位置电路故障 | 信号错误 |
| B1278 | 大灯 ON 位置电路故障 | 信号错误 |
| B1279 | 变光器开关电路故障 | 信号错误 |
| B1280 | 转向信号开关电路故障 | 信号错误 |
| B1281 | 前刮水器 MIST 位置电路故障 | 信号错误 |
| B1282 | 前刮水器 INT (AUTO) 位置电路故障 | 信号错误 |
| B1283 | 前刮水器 LOW 位置电路故障 | 信号错误 |
| B1284 | 前刮水器 HIGH 位置电路故障 | 信号错误 |
| U1280 | B-CAN通信总线线路故障(总线关闭) | 通信丢失 |
| U128D | MICU 与仪表控制单元失去通信 | 通信丢失 |
仪表控制单元
| DTC | 说明 | DTC 类型 |
| U0029 | F-CAN 通信线路错误 | 通信丢失 |
| U0100 | 仪表控制单元与VCU(ENG/AT)失去通信 | 通信丢失 |
| U0122 | 仪表控制单元与VSA 调制器-控制单元失去通信 | 通信丢失 |
| U0128 | 仪表控制单元与EPB 单元失去通信 | 通信丢失 |
| U0131 | 仪表控制单元与EPS 单元失去通信 | 通信丢失 |
| U0151 | 仪表控制单元与SRS 单元失去通信 | 通信丢失 |
| B1193 | 仪表控制单元与方向盘仪表开关失去通信 | 通信丢失 |
| U12A0 | 仪表控制单元与声学车辆警报系统(AVAS)失去通讯 | 通信丢失 |
| U1280 | 通信总线线路错误(BUS-OFF) | 通信丢失 |
| U1281 | 仪表控制单元与MICU(MICU 框架)失去通信 | 通信丢失 |
| U1288 | 仪表控制单元与PARKSR 失去通信 | 通信丢失 |
| U3000-49 | ECU 内部电路故障 | 内部错误 |
| U3000-51 | 重新编程错误 | 内部错误 |
| U0111 | 与 VCU 失去通讯 | 通信丢失 |
空调控制单元
| DTC | 说明 | DTC 类型 |
| B124A | 暖风 ECH 故障 | 内部错误 |
| B298A | 暖风系统加热器硬件故障 | 内部错误 |
| B2995 | 电动加热水泵不工作 | 内部错误 |
| B124C | HIN 温度传感器(入口)断线,传感器不良 | 信号错误 |
| B124D | HIN 温度传感器(入口)短路,传感器不良 | 信号错误 |
| B123F | 自动照明控制单元 / 阳光传感器错误 | 信号错误 |
| B121A | 模式控制电机电路断路 | 信号错误 |
| B121B | 模式控制电机电路短路 | 信号错误 |
| B121D | 湿度/车内温度传感器通信故障 | 通信丢失 |
| B121E | 空调控制单元与触摸控制面板失去通信 | 通信丢失 |
| B1220 | 内循环控制电机电路短路 | 信号错误 |
| B1227 | 车外空气温度传感器电路断路 | 信号错误 |
| B1228 | 车外空气温度传感器电路短路 | 信号错误 |
| B1229 | 阳光传感器电路断路 | 信号错误 |
| B1230 | 阳光传感器电路短路 | 信号错误 |
| B1231 | 蒸发器温度传感器电路断路 | 信号错误 |
| B1232 | 蒸发器温度传感器电路短路 | 信号错误 |
| B1233 | 空气混合控制电机电路断路 | 信号错误 |
| B1234 | 空气混合控制电机电路短路 | 信号错误 |
| B1235 | 空气混合控制电机电路、连杆、风门或电机故障 | 信号错误 |
| B1240 | 模式控制电机电路、连杆、风门或电机故障 | 信号错误 |
| B1241 | 鼓风机电机电路故障 | 信号错误 |
| B2983 | 内循环控制电机电路、连杆、风门或电机故障 | 信号错误 |
| B2986 | 内循环控制电机电路断路 | 信号错误 |
| U1280 | 通信总线线路错误(BUS-OFF) | 通信丢失 |
| U128D | 与仪表控制单元失去通信 | 通信丢失 |
无钥匙进入控制单元
| DTC | 说明 | DTC 类型 |
| B2890-13 | 车辆提醒扬声器电路断路 | 信号错误 |
| U0129-00 | CAN与AHB/ESB/EBB通信故障 | 信号错误 |
| B1601 | 智能钥匙进入控制单元内部 (CPU) 错误 | 内部错误 |
| B1602 | 智能钥匙进入控制单元内部 (EEPROM) 错误 | 内部错误 |
| B1632 | MTR CONT 信号错误 | 信号错误 |
| B1640 | RF1 天线未连接或故障 | 信号错误 |
| B1645 | 驾驶员侧车门LF 天线电路短路 | 信号错误 |
| B1646 | 驾驶员侧车门LF 天线电路断路 | 信号错误 |
| B1647 | 乘客侧车门LF 天线电路短路 | 信号错误 |
| B1648 | 乘客侧车门LF 天线电路断路 | 信号错误 |
| B1659 | 车内前部 LF 天线电路短路 | 信号错误 |
| B1660 | 车内前部 LF 天线电路断路 | 信号错误 |
| B1663 | 车内后部 LF 天线电路短路 | 信号错误 |
| B1664 | 车内后部 LF 天线电路断路 | 信号错误 |
| U1280 | 智能钥匙进入控制单元通信总线线路错误 (BUS-OFF) | 通信丢失 |
| U1281 | 智能钥匙进入控制单元与 MICU 失去通信 | 通信丢失 |
| U128D | 智能钥匙进入控制单元与仪表控制单元失去通信 | 通信丢失 |
无钥匙进入备用控制单元
| DTC | 说明 | DTC 类型 |
| B1926 | 备用控制天线断路或短路 | 内部错误 |
| B1931 | 备用控制单元无响应 | 信号错误 |
| U1280 | B-CAN 通信总线线路故障(总线关闭) | 通信丢失 |
| U128D | 备用控制单元与仪表控制单元失去通信 | 通信丢失 |
无钥匙进入电源控制单元
| DTC | 说明 | DTC 类型 |
| B12C6 | 电子转向锁开关C/D 监控电路故障 | 内部错误 |
| B12C7 | 电子转向锁电机电路故障 | 内部错误 |
| B12D0 | 电源控制单元 IG1A 电路错误 | 内部错误 |
| B12D1 | 电源控制单元 IG1B 电路错误 | 内部错误 |
| B12D2 | 电源控制单元 IG2 电路错误 | 内部错误 |
| B12D3 | 电源控制单元 IG 锁闩电路错误 | 内部错误 |
| B12E0 | 电子转向锁开关内部错误 | 内部错误 |
| B12E1 | 电子转向锁电机内部错误 | 内部错误 |
| B12E2 | MTRCUT1 的电子转向锁液位低故障 | 信号错误 |
| B12E3 | MTRCUT1 的电子转向锁液位高故障 | 信号错误 |
| B12E4 | MTRCUT2 的电子转向锁液位高故障 | 信号错误 |
| B12F0 | 电源控制单元与电子转向锁失去通信 | 通信丢失 |
| U0073 | F-CAN 通信总线线路错误 | 通信丢失 |
| U0100 | 电源控制单元与PCM 失去通信 | 通信丢失 |
| U0122 | 电源控制单元与VSA 调制器-控制单元失去通信(VSA 信息) | 通信丢失 |
| U1280 | B-CAN 通信总线线路故障(总线关闭) | 通信丢失 |
| U1281 | 电源控制单元与MICU 失去通信 | 通信丢失 |
| U128D | 电源控制单元与仪表控制单元失去通信 | 通信丢失 |
驻车和倒车传感器控制单元
| DTC | 说明 | DTC 类型 |
| B2601 | 驻车传感器 CPU 错误 | 内部错误 |
| B2602 | 驻车传感器 EEPROM 错误 | 内部错误 |
| U1280 | B-CAN 通信总线线路故障(总线关闭) | 通信丢失 |
| U0155 | 与仪表控制单元失去通信 | 通信丢失 |
| U1281 | 仪表控制单元与 MICU 失去通信(MICU 框架) | 通信丢失 |
| B2614 | 后第一个传感器故障 | 信号错误 |
| B2615 | 后第二个传感器故障 | 信号错误 |
| B2616 | 后第三个传感器故障 | 信号错误 |
| B2617 | 后第四个传感器故障 | 信号错误 |
| B261C | 后第一个传感器数据故障 | 信号错误 |
| B261D | 后第二个传感器数据故障 | 信号错误 |
| B261E | 后第三个传感器数据故障 | 信号错误 |
| B261F | 后第四个传感器数据故障 | 信号错误 |
| B2647 | 后传感器电源故障 | 内部错误 |
| B2649 | 后传感器信号搭铁短路 | 信号错误 |
| B264A | 指示灯电路对电源短路 | 信号错误 |
| B264B | 指示灯电路搭铁短路 | 信号错误 |
| B264D | 前传感器组合故障 | 信号错误 |