驻车和倒车传感器系统说明 - 概要 |
![]() |
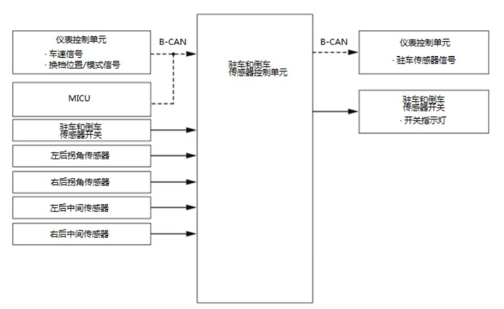
驻车和倒车传感器系统包括四个后传感器(位于后保险杠上)、驻车和倒车传感器控制单元,以及内置于仪表控制单元中的驻车和倒车传感器蜂鸣器。当任意传感器检测到车辆附近存在障碍物时,驻车和倒车传感器控制单元都会使蜂鸣器鸣响,通过哔哔声提醒驾驶员。传感器通过发送超声波并接收障碍物反射的返回波来检测障碍物。


驻车和倒车传感器系统说明 - 系统图 |
![]() |

驻车和倒车传感器系统说明 - 控制/功能 |
![]() |
传感器发出超声波,接收障碍物反射的声波,判断距离并使用蜂鸣器和/或综合信息显示屏(MID)* 提示驾驶员附近有障碍物。
*:带综合信息显示屏(MID)
后中间传感器和后拐角传感器的可检测范围是与每个传感器的距离要在 110 cm (43.31 in) 以内。蜂鸣器的 ON/OFF 时间根据感应距离而变化,如下表所示。

驻车和倒车传感器系统说明 - 零部件 |
![]() |
驻车和倒车传感器操作驻车和倒车传感器开关可执行驻车和倒车传感器控制单元的输入。驻车和倒车传感器指示灯通过驻车和倒车传感器控制单元激活。
驻车和倒车传感器发出超声波,经障碍物反射后被传感器检测到。检测到的超声波经放大后被转换为数字信号,然后传输至驻车和倒车传感器控制单元。参考测量距离适用于直径为60 mm(2.36 in) 的圆形障碍物。障碍物直径小于 60 mm (2.36 in) 时,测量距离将会更小。

驻车和倒车传感器系统部件位置索引 |
![]() |
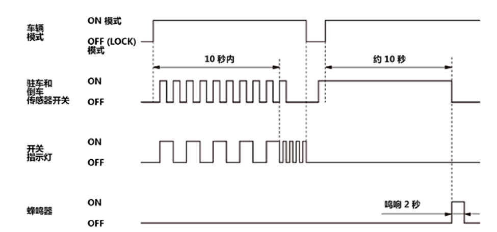
重新设定驻车和倒车传感器控制单元 |
![]() |
1. 驻车和倒车传感器控制单元 - 重置
执行下列任何操作后都要重新设定驻车和倒车传感器控制单元:
|
注意事项
执行重置程序前,确认各驻车和倒车传感器的连接状态。 |
将车辆转至 ON 模式。
10 秒内,按下驻车和倒车传感器开关10 次。
|
注意事项
驻车和倒车传感器开关指示灯闪烁。 |
将车辆转至 OFF(LOCK) 模式。
按住驻车和倒车传感器开关。
将车辆转至 ON 模式。
等待 10 秒钟。
|
注意事项
成功重置了驻车和倒车传感器控制单元时,蜂鸣器将鸣响2 秒。 |

按下驻车和倒车传感器开关。
确保系统工作正常。
电子驻车制动开关拆卸和安装 |
![]() |
1. 安全注意事项
3. 中央扶手箱面板 - 拆卸
4. 驻车制动开关 - 拆卸
![]() |
1. 使用内饰件拆卸工具撬开线束固定卡(A)。 |
![]() |
2 使用十字起拆卸中央扶手箱面板后盖板8个固定螺钉(B)。 |
![]() |
3 .取下中央扶手箱面板后盖板(C)。 |
![]() |
4 .取下电子驻车制动开关(D)。 |
1. 所有拆下零件 - 安装
| 1. 按照与拆卸相反的顺序安装零件。 |
倒车雷达控制器拆卸和安装 |
![]() |
电子动力系统部件位于该区域。电子动力系统是一个高压系统。在电子动力系统或系统附近工作前,必须熟悉该系统。进行修理或维修前,确保已阅读电子动力系统维修注意事项。
1. 安全注意事项
| 1. 仔细阅读并掌握电子动力系统维修注意事项后,才能进行下一步的操作。 |
2. 12 V 蓄电池端子 - 断开
![]() |
1. 确保车辆处于 OFF (LOCK) 模式。 2. 从12 V 蓄电池 (C) 上断开并隔离12 V 蓄电池传感器 (A) 的电缆(B)。
3. 打开盖(F)。 4. 从12 V 蓄电池上断开正极端子 (G)。
|
3. 左后侧装饰板 - 拆卸
4. 倒车雷达控制器 - 拆卸
![]() |
1. 使用 10mm 套筒拆卸倒车雷达控制器固定螺栓 (A)(M6×16)。 2. 脱开倒车雷达控制器插接器 (B),取下倒车雷达控制器。 |
1. 所有拆下零件 - 安装
| 1. 按照与拆卸相反的顺序安装零件。 |
驻车和倒车传感器开关拆卸和安装 |
![]() |
2. 驻车和倒车传感器开关- 拆卸
|
1.按住驻车和倒车传感器开关(两侧)固定卡 (A),取下驻车和倒车传感器开关(B)。
|
||
![]() |
|
1. 所有拆下零件 - 安装
|
1. 按照与拆卸相反的顺序安装零件。 |
驻车和倒车传感器开关测试 |
![]() |
1. 驾驶员侧仪表板下盖- 拆卸
1. 驻车和倒车传感器开关- 测试
|
|
1. 根据下表检查驻车和倒车传感器开关。
2. 如果结果与规定不符,则更换驻车和倒车传感器开关。 |
1. 所有拆下零件 - 安装
| 1. 按照与拆卸相反的顺序安装零件。 |