灵悉L
概述
规格
保养
电子动力系统
悬架系统
制动系统
转向系统
空调系统
车身电气
行驶支持和保护系统
概述
规格
保养
电子动力系统
悬架系统
制动系统
转向系统
空调系统
车身电气
行驶支持和保护系统
  • 空调系统说明

    • 空调系统说明-概要
    • 空调系统说明-空调压力传感器
    • 空调系统说明-车外空气温度传感器
    • 气温控制系统说明-湿度/车内温度传感器
    • 气温控制系统说明-光照传感器
    • 空调系统说明-室外换热器
    • 空调系统说明-蒸发器温度传感器
    • 后窗除雾器系统说明-概要
    • 后窗除雾器系统说明-系统图
    • 后窗除雾器系统说明-控制/功能
  • 空调系统索引

    • 空调系统部件位置索引
    • 气温控制系统部件位置索引
    • 后窗除雾器部件位置索引
  • 空调系统检查

    • 空气混合控制电机/模式控制电机/内循环控制电机测试
    • 车外空气温度传感器测试
    • 光照传感器测试
    • 空调制冷剂泄漏检查
    • 空调系统污染物检查
    • 空调系统检查
    • 空调系统噪音检查
    • 空调系统测试
    • 鼓风机功率晶体管测试
    • 蒸发器温度传感器测试
  • 空调系统部件维修工艺

    • 空调制冷剂油更换
    • 空调制冷剂回收/抽空/加注
    • 空调维修技巧和注意事项
    • 空气混合控制电机/模式控制电机/内循环控制电机拆卸和安装
    • 气温控制单元拆卸和安装
    • 湿度/车内温度传感器拆卸和安装
    • 车外空气温度传感器拆卸和安装
    • 光照传感器拆卸和安装
    • 空调滤清器拆卸和安装
    • 空调电动压缩机的拆卸和安装
    • 室外换热器拆卸和安装
    • 鼓风机功率晶体管拆卸和安装
    • 鼓风机电机拆卸和安装
    • 鼓风机单元拆卸和安装
    • 蒸发器芯拆卸和安装
    • 蒸发器膨胀阀拆卸和安装
    • 蒸发器温度传感器拆卸和安装
    • HVAC 单元拆解和重新组装
    • HVAC 单元拆卸和安装
    • 加热器芯拆卸和安装
  • 空调系统故障排除

    • 气温控制系统症状故障排除索引 [气温控制]
    • 鼓风机、加热器控制和空调系统不工作 [气温控制]
    • 空调压缩机排放阀已排放制冷剂 [气温控制]
    • 通风温度变化超过 11 °C (20 °F) [气温控制]
    • HDS 不能与空调控制单元或车辆通信 [气温控制]
    • 加热不足 [气温控制]
    • 空调诊断过程 [带气温控制]
    • 如何对气温控制系统进行故障排除
    • 加热和空调系统症状故障排除索引 [取暖/空调]
    • 鼓风机电机是否根本不运行 [取暖/空调]
    • 鼓风机电机运行,但一个或多个转速不能工作 [取暖/空调]
    • 加热器风扇关闭时,鼓风机电机运行 [取暖/空调]
    • 空调诊断流程 [不带气温控制]

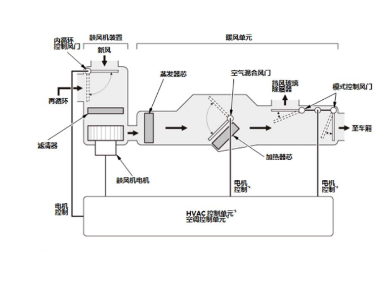
空调系统说明-概要

空调系统通过以适当比例混合冷暖空气调节出风口温度。加热器芯和蒸发器芯安装在加热器单元中,具有空气混合风门和模式控制风门。鼓风机单元由鼓风机电机、内循环控制风门和空调滤清器组成。鼓风机单元通过集成到鼓风机单元的管道连接到加热器单元。

系统图

image-20240509162803603

空气流量图

注意!

  • 以下空调系统图示只是为了举例说明标准件的结构。因此,风门形状、风门数量、加热器芯和蒸发器芯的外观、零部件布局等可能视具体车型而异。

image-20240509162609966

制冷剂循环

注意!

  • 以下空调系统图示只是为了举例说明标准件的结构。因此零部件的外观、布局等可能视具体车型而异。

image-20240718172739511

下一页
空调系统说明-空调压力传感器