EPS 系统说明 - 部件
部件
EPS 系统主要包括以下部件:
- EPS 控制单元
- EPS 电机
- 转矩传感器
- 系统指示灯
EPS 控制单元、EPS 电机和转矩传感器结合到转向柱中。
有关车辆上各部件位置,请参阅部件位置索引。
来自方向盘的转向力发送到柱轴。扭矩传感器测量施加到柱轴的力与路面摩擦产生车轮转动阻力之间的差异,并将其转换成电压信号发送给 EPS 控制单元。EPS 控制单元根据此信号控制传至 EPS 电机的电流。EPS 电机转动与蜗轮齿轮(柱轴的一部分)接合的蜗杆。这会变成转向系统中的转向助力。

转矩传感器
转矩传感器使用霍尔 IC 方法来检测转向力矩和道路表面反作用扭矩。 转矩传感器由中间轴、输入轴、下轴、扭杆、磁轭、多极磁铁和其它部件组成。 方向盘的输入传输至中间轴。中间轴和下轴由扭杆连接,当路面阻力大且下轴转动困难时,中间轴和下轴以不同的方式旋转,导致扭杆扭曲。

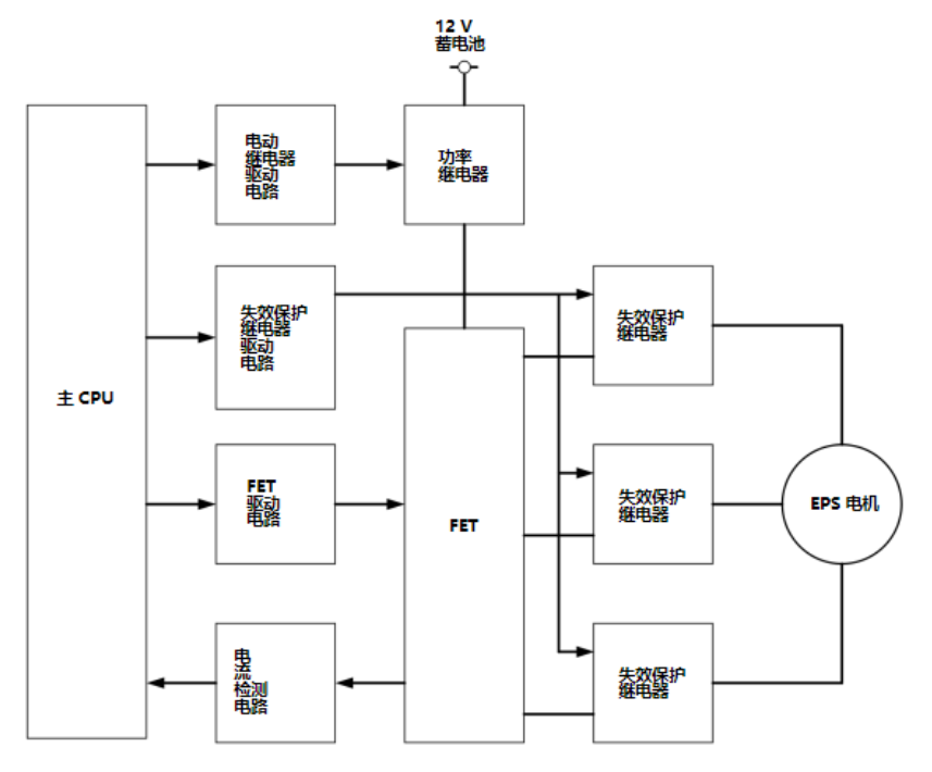
EPS 电机控制回路
EPS 电机控制电路由主 CPU、场效应晶体管 (FET) 驱动电路、FET、继电器驱动电路、功率继电器、失效保护继电器、电流检测电路和 EPS 电机组成。根据输入传感器信号,CPU 计算负荷循环并向 FET 驱动电路输出相应的三相电流。该操作受负荷控制。
