VSA 系统说明 - ABS 控制
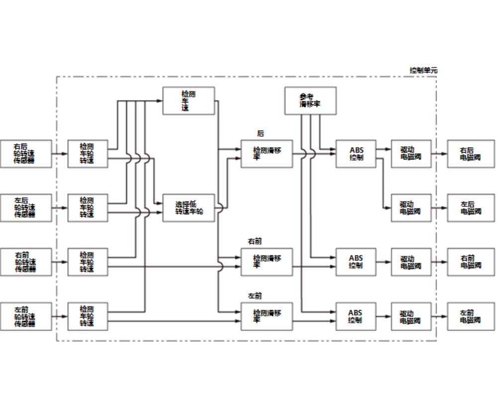
不使用 ABS,在行驶时踩下制动踏板,车轮有时在车辆停止前抱死。在这种情况下,如果前轮抱死,车辆操纵性会下降;如果后轮抱死,车辆稳定性会下降,从而造成车辆极度不稳。使用 ABS,系统精确地控制车轮的滑移率,以确保轮胎的最大附着力,因此也确保了车辆的操纵性和稳定性。VSA 调制器-控制器单元根据四个车轮的转速计算车轮的滑移率,然后控制制动液压力以达到目标滑移率。
轮胎和路面的附着力

控制器单元根据它接收到的车轮转速传感器信号来检测车轮转速,然后它根据检测到的车轮转速计算车速。在减速过程中,控制器单元根据车轮转速检测车速。
控制器单元计算每个车轮的滑移率,当滑移率高的时候,向调制器单元电磁阀发送控制信号。
液压控制有三种模式:压力增强、压力减小和压力保持。

当车轮转速从预计车速显著下降时,VSA 调制器-控制器单元短暂地关闭进口阀并打开出口阀,以降低制动液压力,而泵电机开始运行。
当车轮转速增加时,VSA 调制器-控制器单元在入口阀关闭的情况下保持制动液压力。当车轮转速匹配预计车速时,制动液压力增加。
VSA 调制器-控制器单元重复此阀控制操作,以便控制 ABS 功能。

分程控制
当一个驱动轮胎在低牵引力道路上且另一侧驱动轮胎在高牵引力道路上时,施加制动器会导致高牵引力路面侧的驱动力增加。
高牵引力路面上增加的驱动力导致车辆不平稳。
为在这种情况下保持车辆稳定性,VSA 调节器单元通过根据需要调节各个车轮液压来主动控制驱动力。

