灵悉L
概述
规格
保养
电子动力系统
悬架系统
制动系统
转向系统
空调系统
车身电气
行驶支持和保护系统
概述
规格
保养
电子动力系统
悬架系统
制动系统
转向系统
空调系统
车身电气
行驶支持和保护系统
  • 常规制动

    • 常规制动系统说明
    • 常规制动部件位置索引
    • 制动系统检查

      • 制动总泵检查
      • 制动系统检查和测试 - 检查
      • 制动系统检查和测试 - 测试
      • 制动软管和管路检查
      • 制动液液位开关测试
      • 前制动片检查
      • 前制动盘检查
      • 后制动片检查
      • 后制动盘检查
    • 常规制动部件维修工艺

      • 常规制动系统放气
      • 制动踏板和制动踏板位置开关调节
      • 制动助力器拆卸和安装
      • 制动踏板拆卸和安装
      • 制动总泵拆卸和安装
      • 制动软管拆卸和安装
      • 前制动衬片拆卸和安装
      • 前制动盘拆卸和安装
      • 前制动卡钳拆卸和安装
      • 前制动卡钳大修
      • 前制动盘护板拆卸和安装
      • 后制动衬片拆卸和安装
      • 后制动盘拆卸和安装
      • 后制动卡钳拆卸和安装
      • 后制动卡钳大修
      • 后制动盘护板拆卸和安装
  • 驻车制动

    • 电子驻车制动器部件位置索引
    • 驻车制动系统说明

      • 电动驻车制动系统说明 - 控制
      • 电动驻车制动系统说明 - 电动驻车制动执行器
      • 电动驻车制动系统说明 - 电动驻车制动开关
      • 纵向加速传感器中间位置记忆
    • 制动系统检查

      • 电子驻车制动器开关测试
      • 制动踏板位置开关测试
    • 驻车制动部件维修工艺

      • 电子驻车制动器执行器拆卸和安装
      • 电子驻车制动控制单元更新
      • 电子驻车制动器强制取消
      • 制动踏板位置开关拆卸和安装
    • 驻车制动故障排除

      • 如何对电子驻车制动器进行故障排除
      • 电子驻车制动器症状故障排除索引
      • 电动驻车制动器指示灯未点亮
      • 电动驻车制动器指示灯未熄灭,且未存储 DTC
      • 电动驻车制动系统指示灯未点亮
      • 电动驻车制动系统指示灯未熄灭,且未存储 DTC
      • 电动驻车制动系统指示灯未熄灭,且未存储 DTC
      • 电子驻车制动器症状故障排除 - 电子驻车制动指示灯不点亮
      • 电子驻车制动器症状故障排除 - 电子驻车制动指示灯不熄灭,且未存储 DTC
  • VSA系统

    • VSA系统说明

      • VSA系统说明 - 概要
      • VSA 系统说明 - ABS 控制
      • VSA 系统说明 - EBD 控制
      • VSA 系统说明 - VSA 控制
      • VSA 系统说明 - 制动辅助控制
      • VSA 系统说明 - 坡道起步辅助控制
      • VSA 系统说明 - 自动制动保持
      • VSA 系统说明 - VSA 调节器
      • VSA 系统说明 - 车轮转速传感器
      • 如何进入 VSA 系统保养模式
      • VSA 调节器-控制单元更新
    • VSA系统部件位置索引
    • VSA系统部件维修工艺

      • VSA 调节器-控制单元拆卸和安装
      • 车轮转速传感器拆卸和安装
    • VSA故障排除排除

      • VSA 系统症状故障排除索引
      • HDS 不能与 VSA 调制器-控制单元或车辆通信
      • ABS 指示灯、制动系统指示灯(红色)、VSA 指示灯或 VSA OFF 指示灯在起动时没有点亮(灯泡检查)
      • 无法关闭 VSA
      • VSA OFF 指示灯不熄灭
      • ABS 指示灯、制动系统指示灯(红色)、VSA 指示灯和制动系统指示灯(琥珀色)未熄灭
      • VSA 系统症状故障排除 - ABS 指示灯、制动系统指示灯(红色)、VSA 指示灯和制动系统指示灯(琥珀色)未熄灭
      • VSA 系统症状故障排除 - VSA 无法操作至 OFF
      • 如何对 VSA 系统进行故障排除
      • VSA 传感器中间位置记忆

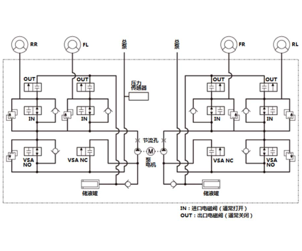
VSA 系统说明 - VSA 调节器

VSA 调节器单元概述

调制器单元包括进口电磁阀、出口电磁阀、VSA NO(常开)电磁阀、VSA NC(常闭)电磁阀、储液罐、泵和泵电机。液压控制有三种ABS 作用模式:压力增强、压力保持和压力减小。 压力增强模式 (VSA) 是 TCS、VSA 和制动辅助作用的组合。

image-20240618173737322

模式VSA NO (常开) 电磁阀VSA NC (常闭) 电磁阀进口电磁阀出口电磁阀制动液
压力增强模式开启关闭开启关闭总泵中的制动液泵压到制动卡钳。
压力保持模式开启关闭关闭关闭制动卡钳中的制动液由入口阀和出口阀保持。
压力减小模式开启关闭关闭开启制动卡钳中的制动液通过出口阀流到储液罐中。
压力增强模式(VSA)关闭开启开启关闭总泵中的制动液被泵泵出,通过VSA 常闭阀到制动钳。
制动钳制动液压力超过总泵压力。
VSA 调制器单元通过调节阀的电流控制来控制增强液压量以满足各种模式的要求。


上一页
VSA 系统说明 - 自动制动保持
下一页
VSA 系统说明 - 车轮转速传感器