VSA 系统说明 - EBD 控制
EBD 系统能够根据由于减速而产生的负载条件和排量的变化,主动控制前后轮制动力的分配。
轮胎和路面的附着力

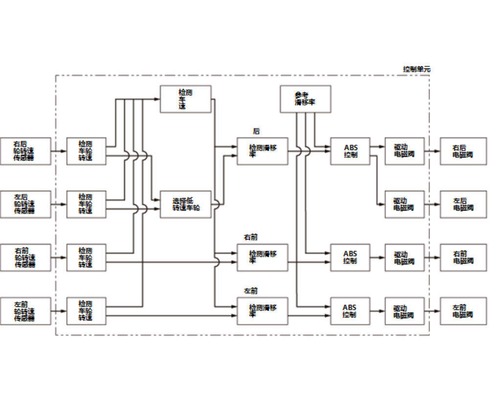
当后轮转速低于预计车速时,VSA 调制器-控制器单元关闭进口阀,以维持油液压力。 当车轮转速增加时,VSA 调制器-控制器单元短暂地打开进口阀,以增加制动液压力。 需要更低的压力时,调节器单元短暂地打开出口阀,降低制动液压力。 VSA 调制器-控制器单元重复此阀控制操作,以便控制 EBD 功能。

当车轮转速从预计车速显著下降时,VSA 调制器-控制器单元短暂地关闭进口阀并打开出口阀,以降低制动液压力,而泵电机开始运行。
当车轮转速增加时,VSA 调制器-控制器单元在入口阀关闭的情况下保持制动液压力。当车轮转速匹配预计车速时,制动液压力增加。
VSA 调制器-控制器单元重复此阀控制操作,以便控制 ABS 功能。
