灵悉L
概述
规格
保养
电子动力系统
悬架系统
制动系统
转向系统
空调系统
车身电气
行驶支持和保护系统
概述
规格
保养
电子动力系统
悬架系统
制动系统
转向系统
空调系统
车身电气
行驶支持和保护系统
  • 安全带

    • 座椅安全带部件位置索引
    • 座椅安全带检查
    • 座椅安全带维修工艺

      • 前排座椅安全带拆卸和安装
      • 前排座椅安全带搭扣拆卸和安装
      • 座椅安全带肩部锚定器调节器拆卸和安装
      • 后排座椅安全带拆卸和安装
      • 后排座椅安全带搭扣拆卸和安装
  • SRS系统

    • SRS系统说明

      • SRS系统说明-安全带张紧器
      • SRS系统说明-概述
      • SRS系统说明-驾驶员侧和前排乘客侧气囊
      • SRS系统说明-侧气囊和侧窗帘式气囊
      • SRS系统说明-碰撞传感器
      • SRS系统说明-后安全传感器
      • SRS系统说明-前排乘客座椅入座开关
      • SRS系统说明-SRS单元
    • SRS系统部件位置索引
    • SRS系统部件展开后检查
    • SRS系统部件工艺

      • SRS注意事项及程序
      • SRS单元更新
      • 驾驶员气囊拆卸和安装
      • 前排乘客气囊拆卸和安装
      • 侧气囊拆卸和安装
      • 侧窗帘式气囊拆卸和安装
      • 电缆盘拆卸和安装
      • 前碰撞传感器拆卸和安装
      • 侧碰撞传感器(第一个)拆卸和安装
      • 侧碰撞传感器(第二个)拆卸和安装
      • 后安全传感器拆卸和安装
      • SRS单元拆卸和安装
      • SRS单元拆卸和安装
    • SRS系统故障排除

      • SRS症状故障排除索引
      • SRS系统指示灯不点亮
      • SRS指示灯保持点亮状态,但未存储或无法读取DTC
      • 座椅安全带提醒灯不点亮、熄灭或闪烁
      • HDS无法与SRS单元或车辆通信
      • SRS症状故障排除-SRS指示灯不点亮
      • SRS症状故障排除-SRS指示灯保持点亮,但未存储DTC或无法读取DTC
      • SRS症状故障排除-安全带提醒指示灯不点亮、熄灭或闪烁
  • 速度支持和车辆控制

    • 自动泊车系统说明-概要
    • 巡航控制系统说明-概要
    • 巡航控制部件位置索引
    • 摄像头系部件位置索引
    • 摄像头系统维修工艺

      • 前视摄像头拆卸和安装
      • 后视摄像头拆卸和安装
      • DMC摄像头总成
      • 单目摄像头拆卸和安装
      • 侧视摄像头拆卸和安装
      • 后视镜摄像头拆卸和安装
      • 多视角摄像头标定
      • 单目摄像头标定
      • 后视镜摄像头标定
    • 巡航控制症状故障排除索引

      • 无法设置巡航控制
      • 可以设置巡航控制,但巡航主指示灯没有点亮
      • 按下res/+按钮时,车辆不能相应地加速
      • 当按下CRUISE按钮时,不能取消设置车速
      • 当按下RES/+按钮时,不能恢复设置车速(在按下CRUISE按钮,并通过踩下制动踏板暂时取消设置车速的情况下)

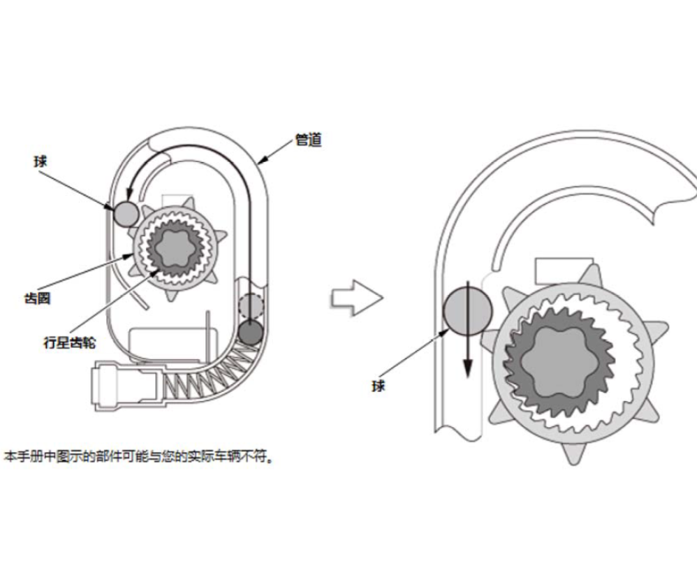
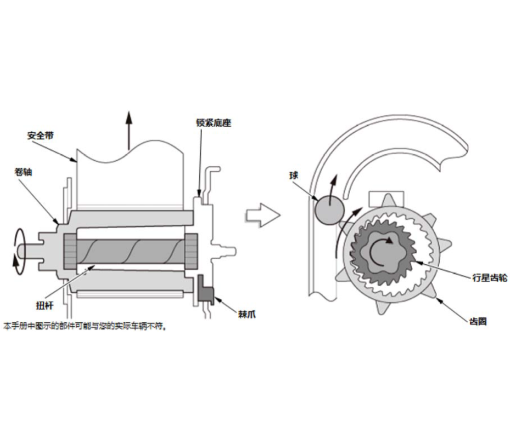
SRS 系统说明 - 安全带张紧器

带负载限制器的ELR座椅安全带张紧器

带负载限制器的ELR座椅安全带张紧器由气体发生器、齿圈、小齿轮、ELR锁止器和滑阀组成。当座椅安全带张紧器工作时,它迅速缩紧安全带并提高对乘员的初始保护作用(防止乘员身体被向前移动)。当负载超过预设值时,负载限制器保持保护作用,同时伸出安全带,以保护乘客胸部。

image-20240624202152298

座椅安全带张紧器的操作

1.气体发生器中的气体压力传送管道中的球,并使其紧贴齿圈。通过此操作,齿圈连接到小齿轮。

image-20240624202306556

2.球的传送使齿圈和小齿轮一起旋转。然后,连接到小齿轮的滑阀旋转并绕紧安全带。

负载限制器的操作

3.如果座椅安全带快速拉出(如在碰撞中乘客向前滑),座椅安全带操作锁止机构,接合棘爪至框架齿轮。这样可锁止锁基座和集成的扭杆和线轴。

image-20240624202503521

4.当锁止基座锁上时,如果在安全带上施加一定量的负载,扭杆会扭曲,线轴转动,安全带会释放出来。

5.安全带释放出来后,齿圈会推回滚珠,并从行星齿轮上释放齿圈。

下一页
SRS系统说明-概述