SRS系统说明-驾驶员侧和前排乘客侧气囊
气囊
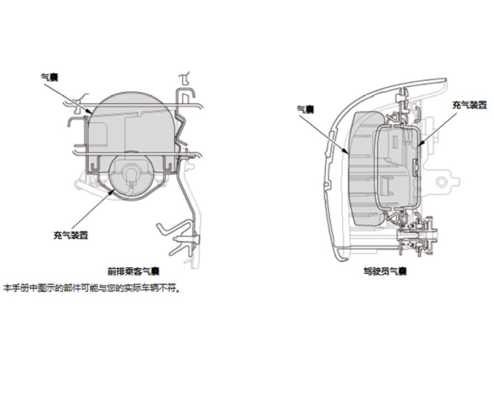
驾驶员气囊位于方向盘中央。前排乘客气囊位于前排乘客侧仪表板上。

驾驶员侧气囊(连续容量变化类型)
对于驾驶员侧气囊,螺旋缝制的连接废气控制阀的连续容量变化气囊有助于降低气囊冲击,同时有效地保护乘客。螺旋缝制的气囊可以在适当的空气压力下,通过少量的内部空气在更短的时间内膨胀,但是它不会影响保护乘客的能力。气囊上的废气控制阀可适当调节空气压力,撕裂气囊上的螺栓缝针将提高气囊内部的空气容量,以便系统能够保持其适当的空气压力。

驾驶员气囊位于方向盘中央。前排乘客气囊位于前排乘客侧仪表板上。

对于驾驶员侧气囊,螺旋缝制的连接废气控制阀的连续容量变化气囊有助于降低气囊冲击,同时有效地保护乘客。螺旋缝制的气囊可以在适当的空气压力下,通过少量的内部空气在更短的时间内膨胀,但是它不会影响保护乘客的能力。气囊上的废气控制阀可适当调节空气压力,撕裂气囊上的螺栓缝针将提高气囊内部的空气容量,以便系统能够保持其适当的空气压力。
