SRS 系统说明 - 安全带张紧器
带负载限制器的ELR座椅安全带张紧器
带负载限制器的ELR座椅安全带张紧器由气体发生器、齿圈、小齿轮、ELR锁止器和滑阀组成。当座椅安全带张紧器工作时,它迅速缩紧安全带并提高对乘员的初始保护作用(防止乘员身体被向前移动)。当负载超过预设值时,负载限制器保持保护作用,同时伸出安全带,以保护乘客胸部。

座椅安全带张紧器的操作
1.气体发生器中的气体压力传送管道中的球,并使其紧贴齿圈。通过此操作,齿圈连接到小齿轮。

2.球的传送使齿圈和小齿轮一起旋转。然后,连接到小齿轮的滑阀旋转并绕紧安全带。
负载限制器的操作
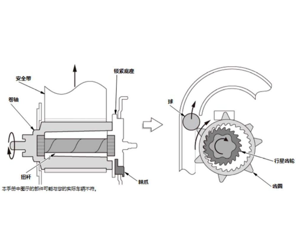
3.如果座椅安全带快速拉出(如在碰撞中乘客向前滑),座椅安全带操作锁止机构,接合棘爪至框架齿轮。这样可锁止锁基座和集成的扭杆和线轴。

4.当锁止基座锁上时,如果在安全带上施加一定量的负载,扭杆会扭曲,线轴转动,安全带会释放出来。
5.安全带释放出来后,齿圈会推回滚珠,并从行星齿轮上释放齿圈。