灵悉L
概述
规格
保养
电子动力系统
悬架系统
制动系统
转向系统
空调系统
车身电气
行驶支持和保护系统
概述
规格
保养
电子动力系统
悬架系统
制动系统
转向系统
空调系统
车身电气
行驶支持和保护系统
  • 车身开闭件

    • 车身开闭件部件位置索引

      • 前车门部件位置索引
      • 后车门部件位置索引
      • 行李箱部件位置索引
      • 动力总成舱盖部件位置索引
    • 车身开闭件检查

      • 车门外把手锁止开关测试
      • 行李箱盖锁开关测试
      • 行李箱盖释放执行器测试
      • 防盗动力总成舱盖开关测试
      • 车门位置调节
      • 车门锁扣调节
    • 前车门部件维修工艺

      • 前车门内饰板拆卸和安装
      • 前车门内把手拆卸和安装
      • 前车门外把手拆卸和安装
      • 前车门锁闩拆卸和安装
      • 前车门锁芯拆卸和安装
      • 前车门限位器拆卸和安装
      • 前车门内水切饰条拆卸和安装
      • 前车门外水切饰条拆卸和安装
      • 前车门下密封件拆卸和安装
      • 前车门B柱饰板拆卸和安装
      • 前车门窗框装饰条拆卸和安装
      • 前车门密封条拆卸和安装
      • 前车门铰链拆卸和安装
      • 车门左前密封条拆卸和安装
    • 后车门维修工艺

      • 后车门内饰板拆卸和安装
      • 后车门内把手拆卸和安装
      • 后车门外把手拆卸和安装
      • 后车门锁闩拆卸和安装
      • 后车门限位器拆卸和安装
      • 后车门内水切饰条拆卸和安装
      • 后车门外水切饰条拆卸和安装
      • 后车门下密封件拆卸和安装
      • 后车门B柱饰板拆卸和安装
      • 后车门窗装饰条拆卸和安装车
      • 后车门后柱装饰板拆卸和安装
      • 后车门密封条拆卸和安装
      • 后车门铰链拆卸和安装
      • 车门左后密封条拆卸和安装
    • 行李箱维修工艺

      • 行李箱铰链拆卸和安装
      • 行李箱盖密封条拆卸和安装
      • 行李箱锁拆卸和安装
      • 行李箱盖的拆卸和安装
      • 行李箱开启弹簧拆卸和安装
    • 动力总成舱盖维修工艺

      • 动力总成舱盖锁闩拆卸和安装
      • 动力总成舱盖总成拆卸和安装
      • 动力总成舱盖隔热垫拆卸和安装
      • 动力总成舱盖铰链拆卸和安装
      • 动力总成舱盖橡胶密封拆卸和安装
      • 动力总成舱盖侧橡胶密封拆卸和安装
    • 充电口盖维修工艺

      • 充电口盖拆卸和安装
      • 充电口盖盖板拆卸和安装
  • 玻璃

    • 玻璃部件位置索引
    • 玻璃维修工艺

      • 挡风玻璃拆卸和安装
      • 后窗拆卸和安装
      • 后三角窗玻璃拆卸和安装
  • 车窗

    • 车窗部件说明

      • 电动车窗系统说明-概要
      • 电动车窗系统说明-系统图
      • 电动车窗系统说明-控制/功能
      • 电动车窗系统说明-零部件
      • 电动车窗系统说明-失效保护功能
      • 电动车窗控制单元重新设定
    • 车窗部件位置索引
    • 车窗部件维修工艺

      • 驾驶员侧电动车窗电机测试
      • 前排乘客侧电动车窗电机测试
      • 后电动车窗电机测试
      • 电动车窗开关测试
      • 车门玻璃调节
      • 前车门玻璃和调节器拆卸和安装
      • 后车门玻璃和调节器拆卸和安装
      • 电动车窗主开关拆卸和安装
      • 前排乘客侧电动车窗开关拆卸和安装
      • 后电动车窗开关拆卸和安装
  • 车顶

    • 全景玻璃部件位置索引
    • 全景玻璃拆卸和安装
  • 后视镜

    • 后视镜部件说明
    • 后视镜部件位置索引
    • 后视镜部件维修工艺

      • 电子后视镜拆卸和安装
      • 左显示屏拆卸和安装
      • 右显示屏拆卸和安装
      • 后视镜拆卸和安装
      • 后视镜拆卸和安装-低配
  • 座椅

    • 座椅部件位置索引
    • 座椅维修工艺

      • 前排座椅拆卸和安装
      • 前排驾驶员座椅骨架拆卸和安装
      • 前排乘客座椅骨架拆卸和安装
      • 前排驾驶员座椅靠背护面/软垫拆卸和安装
      • 前排乘客座椅靠背护面/软垫拆卸和安装
      • 前排驾驶员座椅座椅靠背倾角调节器盖拆卸和安装
      • 座椅调节器拆卸和安装
      • 前排乘客座椅座椅靠背倾角调节器盖拆卸和安装
      • 前排驾驶员座椅座垫护面/软垫拆卸和安装
      • 前排乘客座椅座垫护面/软垫拆卸和安装
      • 后排座椅扶手拆卸和安装
      • 后排座椅靠背拆解和重新组装
      • 后排座椅靠背拆卸和安装
      • 后排座椅座垫拆卸和安装
  • 内饰

    • 内饰部件位置索引
    • 内饰维修工艺

      • 前门门槛装饰拆卸和安装
      • 踏脚板拆卸和安装
      • 中间立柱上/下装饰件拆卸和安装
      • 前立柱装饰件拆卸和安装
      • 三角窗立柱装饰件拆卸和安装
      • 内饰拆卸和安装-后侧区域
      • 后侧装饰板拆卸和安装-货厢区域
      • 后车门门槛装饰件拆卸和安装
      • 行李箱盖内衬拆卸和安装
      • 遮阳板拆卸和安装
      • 把手拆卸和安装
      • 顶篷内衬拆卸和安装
      • 地毯拆卸和安装
      • 后座侧饰板拆卸和安装
      • 后包裹架内衬拆卸和安装
  • 外饰

    • 外饰部件位置索引

      • 下护板位置索引
      • 保险杠位置索引
      • 轮弧部件位置索引
    • 下护板部件维修工艺

      • 动力总成下护板的拆卸和安装
      • 动力总成左护板的拆卸和安装
      • 动力总成右护板的拆卸和安装
      • 后地板护板拆卸和安装
      • 前翼子板护板拆卸和安装
      • 动力总成上护板拆卸和安装
    • 保险杠部件维修工艺

      • 前保险杠拆解和重新组装
      • 前保险杠拆卸和安装
      • 前保险杠中上横梁拆卸和安装
      • 前保险杠线束拆卸和安装
      • 前保险杠下底板拆卸和安装
      • 前保险杠下安全板拆卸和安装
      • 前保险杠装饰板拆卸和安装
      • 后保险杠拆卸和安装
      • 后保险杠拆解和重新安装
      • 后保险杠支架拆卸和安装
      • 后保险杠线束拆卸和安装
      • 后保险杠装饰板拆卸和安装
      • 前保险杠侧空气面板拆卸和安装
      • 后雷达传感器拆卸和安装
      • 前雷达传感器拆卸和安装
      • 前毫米波雷达拆卸和安装
      • 前毫米波雷达标定
    • 外部装饰件维修工艺

      • 散热器盖拆卸和安装
      • 前罩板拆卸和安装
      • 侧门槛板拆卸和安装
      • 侧门槛板拆解和重新组装
      • 前门下部饰板总成拆卸和安装
      • 徽标/标签拆卸和安装
      • 后门下部饰板总成拆卸和安装
      • 前内翼子板拆卸和安装
      • 后内翼子板拆卸和安装
      • 后出风口拆卸和安装
      • 动力总成舱盖上饰条拆卸和安装
      • 行李箱尾翼拆卸和安装
      • 后轮铁拆卸和安装
      • 前车门开口密封件拆卸和安装
  • 仪表板

    • 仪表板维修工艺

      • 侧除雾器通风口装饰件拆卸和安装
      • 驾驶员侧仪表板面板的拆卸和安装
      • 驾驶员侧仪表板下盖拆卸和安装
      • 仪表板侧盖拆卸和安装
      • 乘客侧仪表板拆卸和安装
      • 乘客侧仪表板底盖拆卸和安装
      • 手套箱拆卸和安装
      • 转向柱盖拆卸和安装
      • 仪表板拆卸和安装
      • 乘客侧仪表板拆解和重新组装
      • 转向吊架横梁拆卸和安装
      • 杯架拆卸和安装
  • 副仪表板

    • 扶手箱部件位置索引

      • 扶手箱部件位置索引
    • 副仪表板维修工艺

      • 中央扶手箱拆卸和安装
      • 中央扶手箱扶手拆卸和安装
      • 中央扶手箱后装饰件拆卸和安装
      • 中下面板拆卸和安装
      • 中央扶手箱面板拆卸和安装
      • 中央扶手箱拆解和重新组装
      • 中央控制台装饰板拆卸和安装
      • 中央扶手箱后出风口拆卸和安装
      • 中央扶手箱灯带拆卸和安装
      • 杯托氛围灯拆卸与安装
  • 影音娱乐

    • 音响和可视系统-概要

      • 音响和可视系统-概要
    • 影音娱乐部件位置索引

      • 影音娱乐部件位置索引
    • 多媒体显示屏维修工艺

      • 多媒体显示屏维修工艺
    • 扬声器维修工艺

      • 高音扬声器拆卸和安装
      • 车门扬声器拆卸和安装
    • 音响单元维修工艺

      • 显示音频单元拆卸和安装
      • 音响遥控开关拆卸和安装
      • 巡航控制组合开关拆卸和安装
    • 天线维修工艺

      • 电话天线总成拆卸和安装
      • 电话和GNSS天线总成拆卸和安装
    • 麦克风维修工艺

      • 麦克风拆卸和安装
  • 声音信号

    • 喇叭部件位置索引

      • 喇叭部件位置索引
    • 喇叭拆卸、安装和测试

      • 喇叭拆卸、安装和测试
  • 低压供电

    • 12V蓄电池管理系统说明

      • 12V蓄电池管理系统说明-概述
      • 12V蓄电池管理系统说明-系统图
      • 12V蓄电池管理系统说明-部件
      • 12V蓄电池管理系统说明-控制/功能
    • 低压供电系统索引

      • 12V蓄电池管理系统索引
      • 附件电源插座部件位置索引
    • 低压供电系统维修工艺

      • 12V蓄电池端子-断开和重新连接
      • 12V蓄电池传感器拆卸和安装
      • 扶手箱附件电源插座拆卸和安装
      • 前扶手箱电源插座拆卸和安装
      • 仪表板下保险丝/继电器盒拆卸和安装
      • 12V蓄电池测试
      • 12V蓄电池拆卸和安装
      • 无线充电器单元总成拆卸和安装
      • 点烟器总成拆卸和安装
  • 信号照明

    • 车外照明灯系统部件说明

      • 车外照明灯系统说明-概要
      • 车外照明灯系统说明-系统图
      • 车外照明灯系统说明-控制/功能
      • 车外照明灯系统说明-零部件
    • 车内照明灯系统部件说明

      • 车内照明灯系统说明-概要
      • 车内照明灯系统说明-控制/功能
      • 车内照明灯系统说明-系统图
      • 车内照明灯系统说明-零部件
    • 照明系统部件位置索引

      • 车外照明灯部件位置索引
      • 前照灯调平系统部件位置索引
      • 转向信号/危险警告灯部件位置索引
      • 车内照明灯部件位置索引
    • 信号照明系统检查

      • 组合灯开关检测
      • 大灯高度调节开关测试
      • 行李箱区域照明灯测试
      • 危险警告开关测试
      • 功率继电器测试
    • 信号照明维修工艺

      • 高位制动灯拆卸和安装
      • 前迎宾灯拆卸和安装
      • 制动灯拆卸和安装
      • 后回复反射器拆卸和安装
      • 前照灯拆卸和安装
      • 前照灯调节
      • 组合灯开关拆卸和安装
      • 大灯高度调节开关拆卸和安装
      • 后位置灯拆卸和安装
      • 牌照灯拆卸和安装
      • 后尾灯拆卸和安装
      • 危险警告开关拆卸和安装
      • 行李箱开关&充电解锁开关组件拆卸和安装
      • 前位置灯拆卸和安装
      • 前顶灯拆卸和安装
      • 前顶灯拆解和重新安装
      • 行李箱开关拆卸和安装
      • 机舱盖灯拆卸和安装
      • 后顶灯拆卸和安装
      • 行李箱灯拆卸和安装
      • 门装饰灯拆卸和安装
      • 中央扶手箱面板开关组件拆卸和安装
      • 侧转向信号灯
  • 雨刮洗涤

    • 刮水器/清洗器系统说明

      • 刮水器/清洗器系统说明-概要
      • 刮水器/清洗器系统说明-系统图
      • 刮水器/清洗器系统说明-控制/功能
      • 刮水器/清洗器系统说明-零部件
    • 刮水器/清洗器部件位置索引

      • 刮水器/清洗器部件位置索引
    • 刮水器/清洗器部件检查

      • 刮水器/清洗器开关检测
      • 刮水器电机测试
    • 刮水器/清洗器维修工艺

      • 刮水器/清洗器开关拆卸和安装
      • 刮水器电机拆卸和安装
      • 清洗器电机拆卸和安装
      • 清洗器储液罐拆卸和安装
      • 刮水器臂拆卸和安装
      • 刮水器刮片拆卸和安装
      • 挡风玻璃清洗器管拆卸和安装
      • 挡风玻璃刮水器臂/喷嘴调节
  • 仪表

    • 仪表系统说明

      • 仪表系统说明-概要
      • 仪表系统说明-控制/功能
    • 仪表部件位置索引

      • 仪表部件位置索引
    • 仪表部件维修工艺

      • 抬头显示器拆卸和安装
  • 指示灯

    • 指示灯系统说明

      • 驻车和倒车传感器系统说明-概要
      • 驻车和倒车传感器系统说明-系统图
      • 驻车和倒车传感器系统说明-控制功能
      • 驻车和倒车传感器系统说明-零部件
    • 指示灯部件位置索引

      • 提醒系统部件位置索引
      • 安全指示灯系统部件位置索引
      • 驻车和倒车传感器系统部件位置索引
    • 指示灯部件检查

      • 制动液液位开关测试
    • 指示灯部件维修工艺

      • 车外空气温度传感器拆卸、安装和测试
      • 倒车雷达控制器拆卸和安装
      • 电子换档器拆卸和安装
      • 一键启动开关拆卸和安装
  • 集成控制系统

    • 集成控制系统位置索引

      • 多路集成控制系统部件位置索引
    • 集成控制系统维修工艺

      • 车身控制单元拆卸和安装
      • 多功能车载系统单元拆卸和安装
      • 灯光控制单元拆卸和安装
      • 空调控制器总成拆卸和安装
      • 外把手控制单元拆卸和安装
  • 车身通信

    • 网络通信说明

      • 网络通信系统说明
    • 车身通信部件索引
    • 车身通信部件维修工艺

      • 网关拆卸和安装
      • ETC拆卸和安装
  • 智能钥匙

    • 智能钥匙进入系统说明

      • 智能钥匙进入系统说明-概要
      • 智能钥匙/电动车门门锁/防盗报警系统说明-概要
      • 智能钥匙进入系统说明-失效保护功能
      • 智能钥匙电动车门门锁防盗报警系统触发传感器调用
    • 智能钥匙位置索引

      • 智能钥匙进入系统部件位置索引
      • 智能钥匙/电动车门门锁/防盗报警系统部件位置索引
    • 智能钥匙部件维修工艺

      • 后保险杠内智能钥匙进入LF天线拆卸和安装
      • 后行李箱内智能钥匙进入LF天线拆卸和安装
      • 中央扶手箱后装饰件内智能钥匙进入LF天线拆卸和安装
      • 中央扶手箱内智能钥匙进入LF天线拆卸和安装
      • 智能蜂鸣器拆卸和安装
      • 前车门门锁执行器测试
      • 后车门门锁执行器测试
      • 电动车门门锁开关测试
      • 智能钥匙进入发射器拆卸、安装和测试
    • 故障排除

      • 智能钥匙进入系统症状故障排除信息
      • 智能钥匙进入系统症状故障排除-智能钥匙进入指示灯不熄灭或不点亮
      • 智能钥匙进入系统症状故障排除-用智能钥匙遥控无法解锁或锁止车门,但用车门外把手可解锁或锁止
      • 智能钥匙进入系统症状故障排除-所有车门和行李箱无法锁止和解锁
      • 智能钥匙进入系统症状故障排除-用车门外把手接触传感器或锁止开关无法解锁或锁止车门,但可用智能钥匙遥控解锁或锁止
      • 智能钥匙进入系统症状故障排除-钥匙插入提醒蜂鸣器未鸣响
      • 智能钥匙蜂鸣器电路故障排除
      • 智能钥匙进入LF天线功能测试
      • 模式在ACCESSORY模式和ON模式之间切换,但它不更改为OFF(LOCK)模式
      • 模式在ACCESSORY模式和ON模式之间切换,但它很难更改为OFF(LOCK)模式
      • 所有车门和行李箱不能锁止和解锁
      • 智能钥匙进入系统接触传感器电路故障排除
      • 车门不能用智能钥匙遥控器解锁或锁止,但可用车门外把手解锁或锁止
      • 车门不能用车门外把手接触传感器或门锁开关解锁或锁止,但可用智能钥匙遥控器解锁或锁止
      • 钥匙插入提醒器不发出声音
      • 使用驾驶员车门锁芯或车门门锁开关或遥控器发射器将无法锁定或解锁所有车门
      • 驾驶员侧车门不能锁止或解锁
      • 前排乘客侧车门不能锁止或解锁
      • 即使车门已打开,也会在使用智能钥匙遥控器解锁之后30秒自动重新锁止
      • 防盗报警系统不能激活
      • 左后车门不能锁止或解锁
      • 右后车门不能锁止或解锁
      • 智能钥匙/电动车门门锁/防盗报警系统症状故障排除-尽管车门已经开启,用遥控器解锁后30秒钟,车门将自动重新锁止
      • 智能钥匙/电动车门门锁/防盗报警系统症状故障排除-防盗报警系统不报警
      • 安全系统在车门锁止时随机响起
      • 使用智能钥匙遥控器或锁芯开关不能解锁乘客侧车门,但使用车内车门解锁开关可以解锁
    • 智能钥匙进入系统注册

      • 智能钥匙进入系统注册

电动车窗系统说明 - 零部件

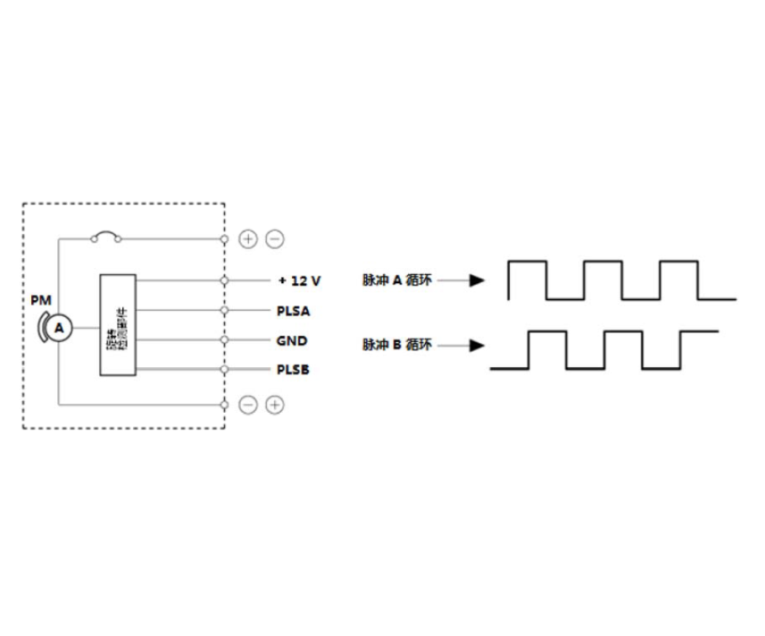
电动车窗电机(带自动升/降功能)

电机包括脉冲传感器,通过电机旋转检测车窗的位置和方向。通过2 脉冲传感器的旋转周期检测旋转方向(升/降),另外还通过将4脉冲视为一个旋转脉冲来检测移动量(车窗位置)。

image-20240620154523724

上一页
电动车窗系统说明-控制/功能
下一页
电动车窗系统说明-失效保护功能