前排乘客侧电动车窗电机测试
拆卸
1. 前排乘客侧车门内饰板 - 拆卸
测试
1. 前排乘客侧电动车窗电机 - 测试


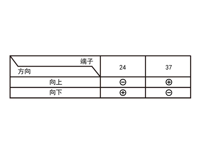
a.根据下表,通过连接 12 V 蓄电池电源和搭铁至连接器(A) ,在各方向测试前排乘客侧电动车窗电机。当前排乘客侧电动车窗电机停止运转时,立即断开12 V 蓄电池电源。如果前排乘客侧电动车窗电机不运转或者运转不平稳,拆下前排乘客侧车门升降器,转至步骤2。


b.根据下表,通过连接 12 V 蓄电池电源和搭铁,测试前排乘客侧电动车窗电机 (B)。当前排乘客侧电动车窗电机停止运转时,立即断开12 V 蓄电池电源。
c.如果前排乘客侧电动车窗电机不能运转或无法运转平稳,则前排乘客侧电动车窗电机故障;更换前排乘客侧车门升降器。如果前排乘客侧电动车窗电机运行平稳,更换线束或调整前排乘客侧车门玻璃。
安装
1.所有拆下零件 - 安装
a.按与拆卸相反的顺序安装各个部件。